Mô tả sản phẩm
Biến trở Tokyo Tocos RV24YN20S-B503 50K 2W là một loại biến trở xoay 24mm, 50K Ohm có khả năng chịu tải công suất 2W. Biến trở này được sản xuất bởi Tocos, một thương hiệu uy tín của Nhật Bản trong lĩnh vực sản xuất linh kiện điện tử và các sản phẩm liên quan.
Ứng dụng của biến trở này là điều chỉnh điện áp hoặc dòng điện trong mạch điện. Nó có thể được sử dụng trong các ứng dụng công nghiệp, như điều khiển động cơ, điều khiển quạt, đèn LED, bộ nguồn, mạch âm thanh và các thiết bị điện tử khác.
Ngoài ra, biến trở Tokyo Tocos RV24YN20S-B503 50K 2W cũng được sử dụng trong các ứng dụng DIY (làm đồ tự chế) như điều khiển âm lượng loa, điều khiển độ sáng LED, và các mạch điều khiển động cơ đơn giản.
Biến trở này được đánh giá cao bởi sự ổn định và độ chính xác của nó, vì vậy nó rất phù hợp cho các ứng dụng yêu cầu độ chính xác cao và độ ổn định trong thời gian dài.
![]()
Thông số kỹ thuật
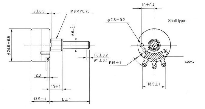
- Công suất: 2W
- Các giá trị biến trở: 50K
- Đường kính trục: 6mm
- Chiều dài trục tiêu chuẩn: 20mm
- Đường kính ngoài: 24mm
- Giá trị hợp lý của kháng: ± 10%
- Góc quay: 300 độ
- Phạm vi nhiệt độ: -10 ° C đến 85 ° C
- Vòng đời quay: 15.000 vòng

Sơ đồ chân
![]()
TAG
#potentiometer #resistor #bien_tro_50k #50k #bien_tro_tokyo
Video tham khảo