



- Điện áp hoạt động: 5 - 7.5VDC
- Bộ sản phẩm bao gồm:
+ PCB
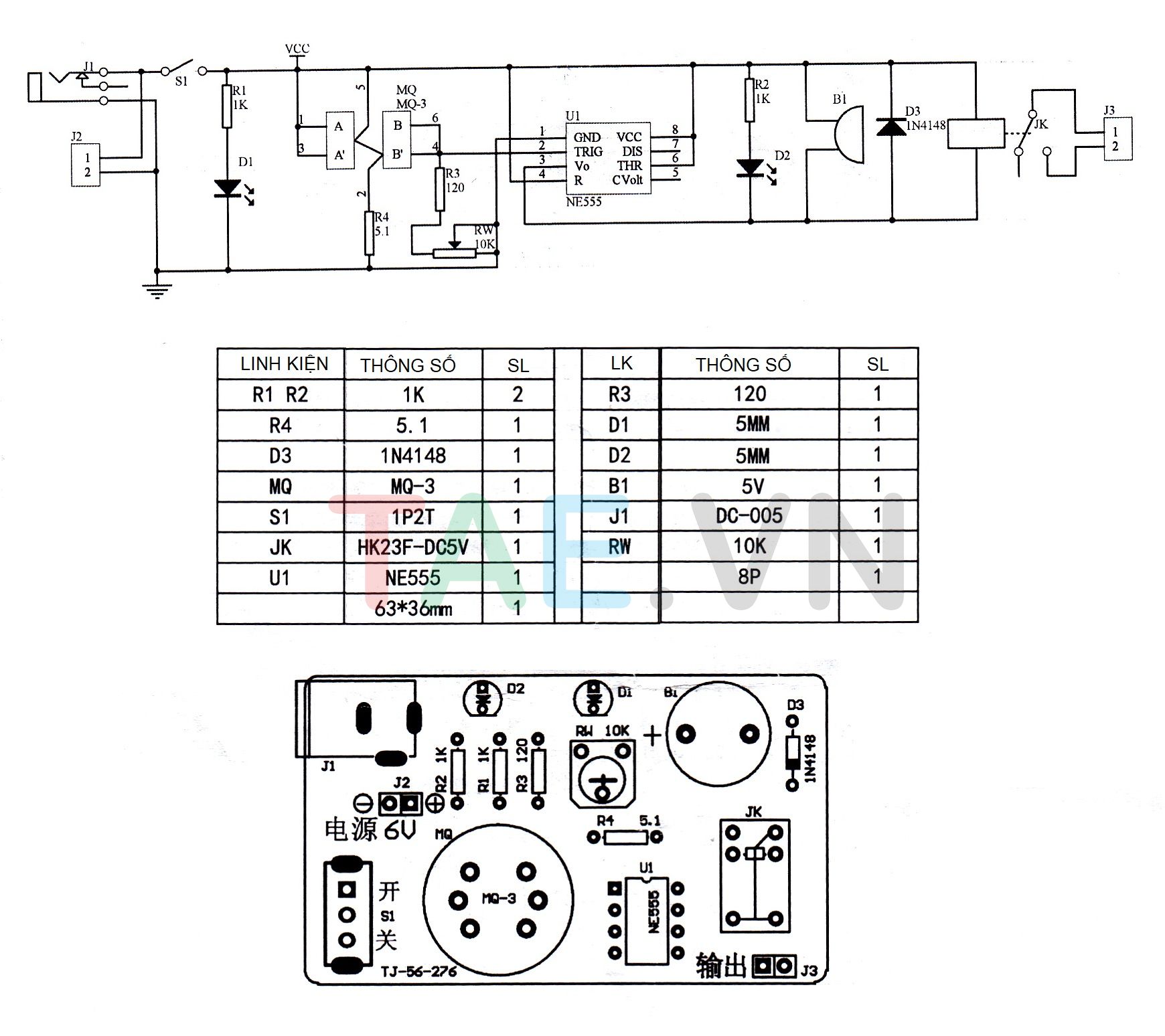
+ Linh kiện: điện trở,biến trở,đèn led, còi buzzer, công tắc, IC555, đế IC 8 chân, Relay, jack nguồn DC 5.5mm
+ Cảm biến: MQ-3
- Kích thước: 6.2 x 3.6cm

Hướng dẫn sử dụng – sơ đồ đấu nối Bộ Dụng Cụ Kiểm Tra Nồng Độ Cồn MQ-3

Tài liệu – Video tham khảo:
Tags
#nong_đo_con #MQ3 #cam_bien_con #MQ-3AlcoholTestKit #AlcoholTest
Chính Sách Bảo Hành
