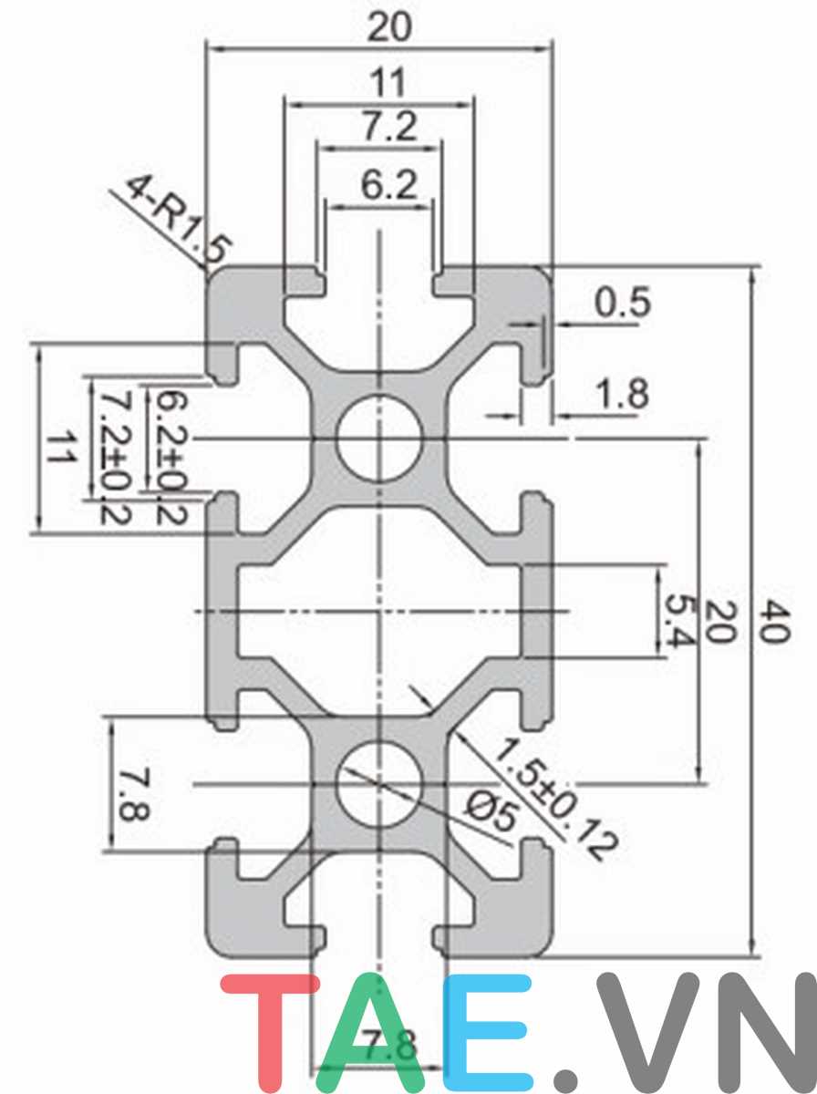
Nhôm Định Hình 2040 EU là kim loại màu trắng bạc, mềm và có tính dẫn nhiệt cao, sử dụng khi chế tạo khung máy laser mini, CNC mini, máy cắt, máy khoan, bàn làm việc, kệ đa năng...

Thông số kỹ thuật Nhôm Định Hình 2040 EU
- Chất liệu: Nhôm
- Quy cách: Sản phẩm được cắt sẵn 1 mét, khách hàng yêu cầu kích thước khác xin vui lòng liên hệ.
- Kích thước:
