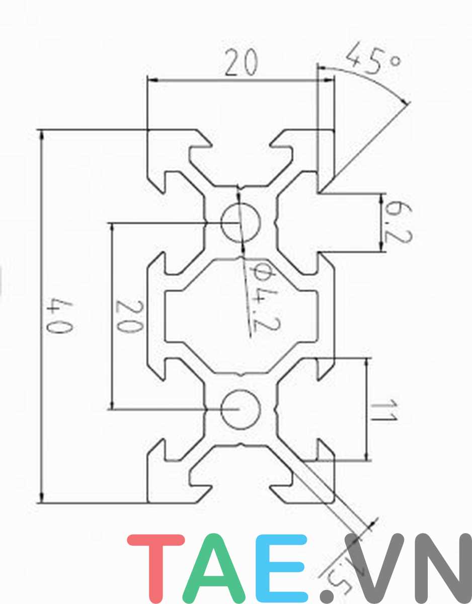
Nhôm Định Hình EU 2040 V-Slot là kim loại màu trắng bạc, mềm và có tính dẫn nhiệt cao, sử dụng khi chế tạo khung máy laser mini, CNC mini, máy cắt, máy khoan, bàn làm việc, kệ đa năng...
 

 
Thông số kỹ thuật Nhôm Định Hình EU 2040 V-Slot
 
- Chất liệu: Nhôm
- Quy cách: Sản phẩm được cắt sẵn 1M, khách hàng mua kích thước khác xin vui lòng liên hệ.
- Kích thước:
