Pulley Đôi GT2 20 Răng là sản phẩm bánh răng đai thường được sử dụng trong chế tạo máy cnc, máy in 3Dm, máy in và các loại máy sử dụng cơ cấu truyền động đai khác. Sản phẩm được thiết kế 2 bánh răng đai GT2, chuẩn bước răng 2mm.



Thông số kỹ thuật Pulley Đôi GT2 20 Răng
- Chất liệu: Hợp kim nhôm
- Loại: Bánh răng đôi
- Số răng: 20 răng
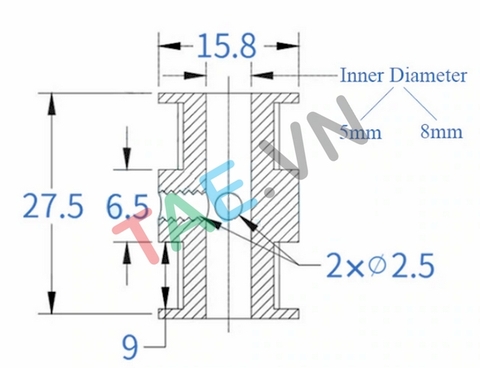
- Bản rộng đai: 9mm
- Đường kính ngoài: 15.8mm
- Chiều dài: 27.5mm
- Bước răng: GT2 - 2mm
- Ốc siết lục giác âm: M2.5 - 2.5mm
- Đường kính trục:
+ 5mm
+ 8mm
- Kích thước:
