

- Model: HBS57
- Điện áp hoạt động: 16-70VDC
- Tín hiệu xung: tương thích 3.3V/ 5V/ 12V không cần điện trở
- Cài đặt vi bước: 800 - 51200
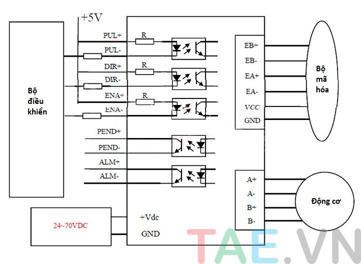
- Đây là loại Driver dùng cho Hybrid Servo có chất lượng cao, chính xác và êm ái, thích hợp dùng chế tạo các loại máy cnc, laser và các loại máy tự động cần độ chính xác cao hơn động cơ bước thông thường.
- Thích hợp sử dụng cho động cơ servo HBS57 3N

Tài liệu – Video tham khảo:

Từ khóa sản phẩm:
- Driver động cơ bước
- Mạch điều khiển động cơ bước
- Driver servo DC
Chính sách bảo hành:
