 Điện - Tự Động hóa
					Điện - Tự Động hóa
				
				 Cơ Khí - Tự Động Hóa
					Cơ Khí - Tự Động Hóa
				
				
							 Vật Tư Khí Nén
					Vật Tư Khí Nén
				
				
							 Vỏ Tủ - Vật Tư Làm Tủ Điện
					Vỏ Tủ - Vật Tư Làm Tủ Điện
				
				
							 Khung Định Hình - Băng Tải
					Khung Định Hình - Băng Tải
				
				 Linh Kiện Siết - Nối
					Linh Kiện Siết - Nối
				
				
							 Dao Cụ Cắt Gọt
					Dao Cụ Cắt Gọt
				
				
							 Dụng Cụ Cầm Tay
					Dụng Cụ Cầm Tay
				
				
							 Máy Công Cụ
					Máy Công Cụ
				
				
							 MKZ - Maker Zone | Thiết Bị Học - Training
					MKZ - Maker Zone | Thiết Bị Học - Training
				
				 Linh Kiện Chuyên Dụng CNC
					Linh Kiện Chuyên Dụng CNC
				
				
							 Linh Kiện Chuyên Dụng Laser
					Linh Kiện Chuyên Dụng Laser
				
				 Linh Kiện Chuyên Dụng 3D Printer
					Linh Kiện Chuyên Dụng 3D Printer
				
				
							 Nguyên Liệu - Vật Liệu
					Nguyên Liệu - Vật Liệu
				
				
							 Thiết Bị Đo - Kiểm Tra
					Thiết Bị Đo - Kiểm Tra
				
				 Máy Tính - Viễn Thông
					Máy Tính - Viễn Thông
				
				
							 Thiết Bị - Vật Tư Nhà Xưởng
					Thiết Bị - Vật Tư Nhà Xưởng
				
				
							 Hóa Chất Vệ Sinh - Dầu - Mỡ
					Hóa Chất Vệ Sinh - Dầu - Mỡ
				
				
							 
									 
									 
									 
									 
									 
									 
									 
									 
							  
 
Động Cơ Hydrid Servo 86HSE4N
- Cường độ dòng điện: 6A
- Điện áp hoạt động: 24 – 50VDC
- Moment xoắn: 4.5 N.m
- Kích thước: 118 x 75.5x34 mm, đường kính trục động cơ: 12.7mm
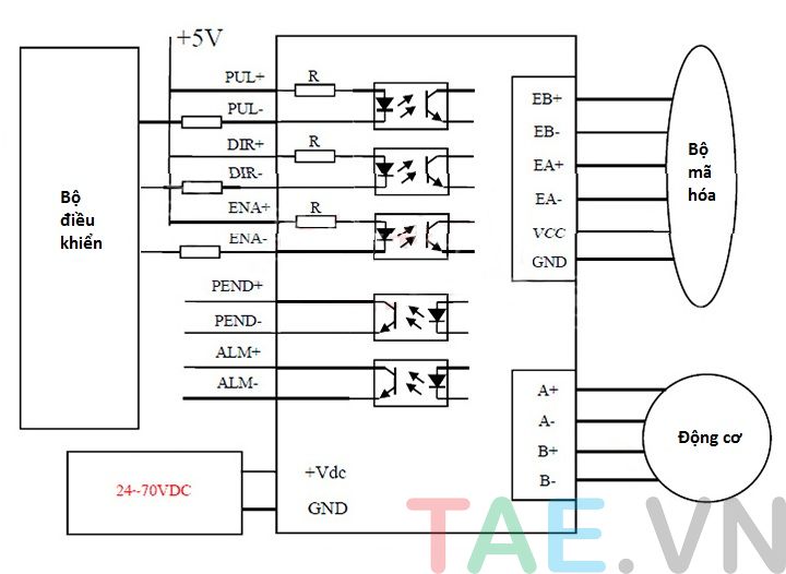
- Sơ đồ đấu dây:
+ Điều khiển động cơ: Dây đỏ A+, dây lá A-, dây vàng B+, dây dương B-
+ Đọc Encoder: Dây đỏ VCC, dây trắng GND, dây đen EA+, dây dương EA-, dây vàng EB+, dây lá EB-
- Khối lượng: 2.5 Kg
 
 
Tài liệu – Video tham khảo:
Từ khóa sản phẩm:
- Động cơ servo 86
- Motor bước 86
Chính sách bảo hành:

Click vào đây để xem thêm chính sách bảo hành – đổi trả.
 
			 
				