Hộp giảm tốc SPG đa dạng về chủng loại, có thiết kế nhỏ gọn, đáp ứng nhanh, độ bền cơ học và độ chính xác cao, di chuyển và sử dụng dễ dàng, phương pháp thiết lập đơn giản, được làm từ những vật liệu cao cấp và an toàn cho người sử dụng nên là giải pháp tốt nhất cho các ứng dụng điều khiển chuyển động và truyền tải điện trong đó kích thước nhỏ gọn, phạm vi tốc độ hoạt động rộng, khả năng thích ứng để sắp xếp công suất.
THÔNG SỐ KỸ THUẬT
---------------------------------------------
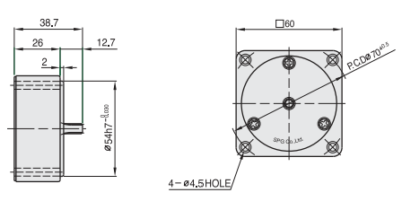
- Kích thước hộp: 60mm.
- Kích thước trục ra: 8mm.
- Tỉ số truyền: 1/10, 1/15, 1/18, 1/20, 1/25, 1/30.
- Lắp ghép đầu trục: trụ trục có then.
- Dạng trục: vòng bi tấm kim loại.
- Hoạt động ổn định, độ chính xác cao.
- Dễ dàng bảo trì, thay thế.

SẢN PHẨM VÀ PHỤ KIỆN GỒM:
---------------------------------------------
SẢN PHẨM KẾT HỢP
---------------------------------------------
Động cơ giảm tốc 6W
SẢN PHẨM TƯƠNG ĐỒNG
---------------------------------------------
Hộp giảm tốc
CHẾ ĐỘ BẢO HÀNH & HỖ TRỢ
---------------------------------------------
Kiểm tra trực tiếp tại cửa hàng.
Đổi trả trong 3 ngày do lỗi nhà sản xuất.
Hỗ trợ kỹ thuật online.
TÀI LIỆU - HƯỚNG DẪN
---------------------------------------------
GHI CHÚ
---------------------------------------------
Tài liệu Manual/DataSheet Hộp giảm tốc SPG
Video Hướng Dẫn Hộp giảm tốc SPG
Blog bài viết về sản phẩm Hộp giảm tốc SPG
CODE MẪU
---------------------------------------------
XEM THÊM VIDEO & TẢI TÀI LIỆU TẠI:
---------------------------------------------
MUA HÀNG TRÊN SHOPEE:
---------------------------------------------
TAG
---------------------------------------------
#motor #controlspeed #SPG #gearhead #hopgiamtoc